cancel
Showing results for 
Show  only  | Search instead for 
Did you mean: 
4,865 Views
Message 1 of 8

Extending wiring to router. RJ11 question

Go to solution

I have extended from the A & B connector on the NTE5c Mk4 faceplate to an RJ11 socket where the router now plugs in.  I have read conflicting information whether A should go to 3 and B to 4 or the other way round.  Could I have someone's informed opinion please as to which terminal in the NTE5c carries the -48V and which in the RJ11 socket should receive it.  I have had a bigger drop in broadband speed than I would have expected just extending the connection.

0 Ratings
Reply
7 REPLIES 7
4,851 Views
Message 2 of 8

Re: Extending wiring to router. RJ11 question

Go to solution

It matters not. Broadband is not polarity conscious, it couldn't possibly be so with all the scope for changing polarity every time a connection/joint etc is changed.

Anonymous
Not applicable
4,845 Views
Message 3 of 8

Re: Extending wiring to router. RJ11 question

Go to solution

Not quite sure what you've done but it sounds like you've maybe bypassed the filter in the faceplate, which may explain loss of speed. Just buy a longer RJ11 cable to replace the one supplied with the router rather that trying to lash up something else.

4,842 Views
Message 4 of 8

Re: Extending wiring to router. RJ11 question

Go to solution

Wow - quick reply, very many thanks.  The broadband is still perfectly satisfactory it was just I have lost a fair bit of speed not now using the master socket I wondered if this could be making a difference.  I will have to put up with this though as apparently where the router is now is "so much neater"  😒

0 Ratings
Reply
4,820 Views
Message 5 of 8

Re: Extending wiring to router. RJ11 question

Go to solution

Another quick reply many thanks.  Not really practical as I am under instruction to keep this all neat and tidy.  I have a bit of a strange arrangement in that after a property renovation the builders left two phone sockets one in the bedroom and one in the lounge fed sequentially.  All nicely wired into the wall and floor.  This was then connected to an original 1950's bakelite lightning protector box (a thing of beauty in its construction in my opinion).  After a recent Openreach visit the engineer kindly wired a new NTE5 in place of the bedroom socket as the master and used the existing extension wiring just for the phone.  I therefore had a spare twisted pair in the extension cable that I have used for just the router and replaced the extension socket with a faceplate that has phone and RJ11 slave sockets.  Unfortunately as all the wiring was already in place I could not have the master socket in the lounge as the engineer would do this but would leave no working phone socket in the bedroom where we need the plug in phone.

0 Ratings
Reply
4,780 Views
Message 6 of 8

Re: Extending wiring to router. RJ11 question

Go to solution

I've done a bit more reading and I may have been under a misapprehension about the voltage at the A B terminals on the NTE5C.  Unlike the phone line that carries approx -50V perhaps the filtered data connection on the NTE5C carries less or none?

0 Ratings
Reply
4,769 Views
Message 7 of 8

Re: Extending wiring to router. RJ11 question

Go to solution

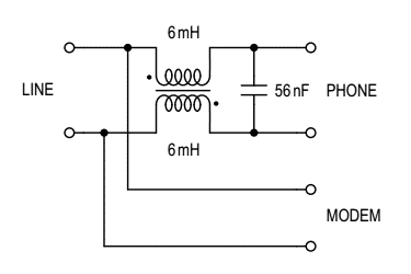
The connection to the router needs to be UNFILTERED, it is the phones that are connected to the filtered side. There should be 50V present at the RJ11 socket regardless of filtered or unfiltered.

filter.png

4,754 Views
Message 8 of 8

Re: Extending wiring to router. RJ11 question

Go to solution

Thanks again liquorice.  This is quite a difficult subject to research on the internet with seemingly conflicting information and I think one can get quite confused as the NTE5 has several versions.  What you have said certainly ties in with what I would logically expect.

0 Ratings
Reply