cancel
Showing results for 
Show  only  | Search instead for 
Did you mean: 
3,077 Views
Message 11 of 17

Re: SOGEA VDSL without using a filter

Go to solution

Arguably the insertion loss refers to the voice frequency (0.3-3.4Khz ) the  band pass filter is designed to allow, as stated the idea is to disallow  ADSL/VDSL frequencies onto the voice path , so you may find your noise margins are unaffected by removing the filter on the ‘data’ side  , but obviously it’s going to be fairly simple to check once you have removed the filter from your line.

0 Ratings
Reply
3,056 Views
Message 12 of 17

Re: SOGEA VDSL without using a filter

Go to solution

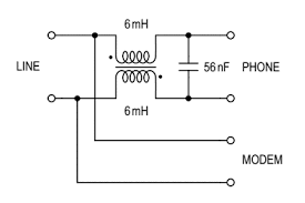
vdslfilter.png

0 Ratings
Reply
3,049 Views
Message 13 of 17

Re: SOGEA VDSL without using a filter

Go to solution

There is a bit more inside a VDSL filter than that!

0 Ratings
Reply
3,044 Views
Message 14 of 17

Re: SOGEA VDSL without using a filter

Go to solution

No there isn't, and in any case the broadband signal doesn't pass through it, the voice signal does.

3,025 Views
Message 15 of 17

Re: SOGEA VDSL without using a filter

Go to solution

@Colin_London  you'd be wrong. @licquorice  is quite correct. Also there is no difference between an ADSL, VDSL or G.Fast filter. They all do the same thing.

0 Ratings
Reply
3,002 Views
Message 16 of 17

Re: SOGEA VDSL without using a filter

Go to solution

They do the same thing, but the design has changed. Why do you think the faceplate went through different versions? The latest faceplate has a REIN filter in it as well which isn’t shown on the little sketch above.

0 Ratings
Reply
2,961 Views
Message 17 of 17

Re: SOGEA VDSL without using a filter

Go to solution

So for the doubters - removing the filter, replacing with a standard faceplate and putting the BT<>RJ11 cable in place has given me an extra 0.5dB as predicted, and an extra 3Mbps overhead on my maximum data rate. This is even before the POTS service has been removed from the line.

Also took the faceplate apart (don't worry, not Openreach property I bought it online). It has:

4 x induction coils

8 x Surface Mount Capacitors

2 Electrolytic Caps

REIN filter

Surge Arrestor

6 resistors

So quite a bit more than that sketch......

 

0 Ratings
Reply